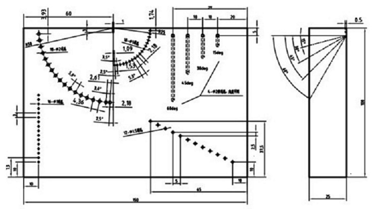
標準試塊,超聲波標準試塊,超聲標準試塊,超聲波試塊,超聲波探傷試塊是無損檢測必備的校準工具,探傷試塊現廣泛運用于電力鍛造,鑄造,機加工等各個行業。
Copyright ? 2015-2020 上海凌紐電子科技有限公司 滬ICP備15051997號-1 All rights reserved 滬公網安備 31010502004780號